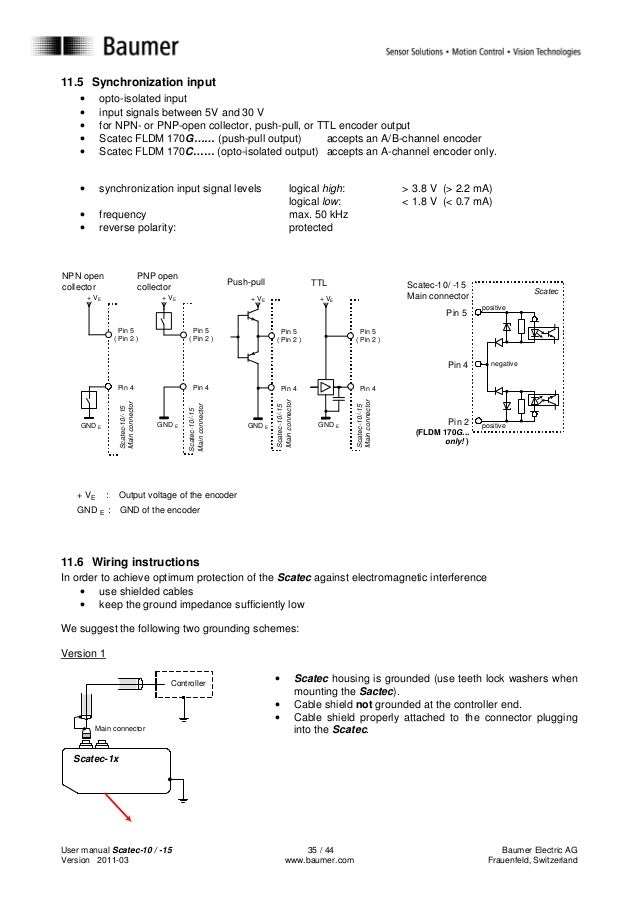
Baumer Ch-8501 Manual
Manual Baumer Ch-8501 Web search information about Baumer Ch-8501. Baumer electric CH-8501 manual datasheet, cross reference, circuit and application notes in pdf format. (ch-en) iBox: Dynamic Adress. Baumer Electric AG Hummelstrasse 17 8501 Frauenfeld Switzerland Phone +41 52 / 72 81 122. Fax +41 52 / 72 81 144.

Baumer Ch-8501 Manual 2017


Top Results Part Manufacturer Description Datasheet BUY X28HC64FMB-70 Intersil Corporation 8KX8 EEPROM 5V, 70ns, CDFP28, FP-28 X28HC256FM-15 Intersil Corporation 32KX8 EEPROM 5V, 150ns, CDFP28, CERAMIC, DFP-28 X28HC256PM-12 Intersil Corporation 32KX8 EEPROM 5V, 120ns, PDIP28, PLASTIC, DIP-28 X28HC256DI-90 Intersil Corporation 32KX8 EEPROM 5V, 90ns, CDIP28, CERDIP-28 X28HC256EM-12 Intersil Corporation 32KX8 EEPROM 5V, 120ns, CQCC32, CERAMIC, LCC-32 X28HC256J-12 Intersil Corporation 32KX8 EEPROM 5V, 120ns, PQCC32, PLASTIC, LCC-32 Search Stock. 86.94 Kb BU 3150Abstract: Baumer ultrasonic SENSOR CH-8501 manual ) (4x 6,5 LED 8,6 3,25 8,2 5 3, x) (2 Baumer Electric AG CH- 8501 Frauenfeld Phone, Switzerland Baumer Electric AG CH- 8501 Frauenfeld Phone +41 (0)52 728 1313 United Kingdom Baumer Ltd, Canada Baumer Inc.
The game has six player online support through gamespy. Players that bring the can write messages in it that other players in their game can read. Deer hunter 3 gold download full game. Deer Hunter 3 Gold On February 29, 2000 an updated version of Deer Hunter 3 was released as Deer Hunter 3 Gold.
CA-Burlington, ON L7M 4B9 Phone +1 (1)905 335-8444 China Baumer (China) Co., Ltd. CN-201612 Shanghai Phone +86 (0)21 6768 7095 Denmark Baumer A/S DK-8230 Abyhoj Phone +45 (0)8931 7611 France Baumer SAS FR-74250 Fillinges Phone +33 (0)450 392 466 Germany Baumer GmbH Friedberg Phone +49 (0 Baumer Original.
Top Results Part Manufacturer Description Datasheet BUY SENSOREVAL Texas Instruments Eval Board Software For Hardware Monitors And Digital Temperature Sensors COMBOSENSOR Texas Instruments XTR117 XTR117 4-20mA Current Loop Transmitter CC2541SENSORTAG-RD Texas Instruments CC2541 SensorTag Reference Design GASSENSORNODE-REF Texas Instruments Wireless Universal Gas Sensing Platform Reference Solution COMBOBODYSENSOR Texas Instruments ADS1292 Complete Low Power Integrated Analog Front End for ECG Applications PDRV5053RAQDBZT Texas Instruments MAGNETIC FIELD SENSOR-HALL EFFECT Search Stock.